.header__wrapper { opacity: 1; } [Skip to content]

Monday - Friday: 08:00 - 17:30 | Saturday - Sunday: Closed

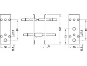
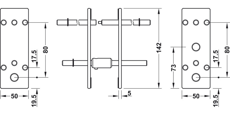
Drilling Jig, Dialock DT 700/ DT 710

Part Number: 917.90.016
For door terminals
Price:
£240.11
Per Item
VAT excluded

Drilling Jig, Dialock DT 700/ DT 710 (Part No: 917.90.016) is the fast, accurate way to prepare clean... Read More

Product Information

Product Details

Drilling Jig, Dialock DT 700/ DT 710 (Part No: 917.90.016) is the fast, accurate way to prepare clean installations for door terminals. Designed specifically for installers and workshop use, this drilling jig helps you position the mounting points correctly—so you can move from planning to drilling with confidence and finish professional-looking work every time.

Whether you’re an experienced technician or tackling a new setup, the Drilling Jig, Dialock DT 700/ DT 710 takes the guesswork out of alignment. Its practical design supports work preparation for mounting terminals accurately, helping you reduce rework and avoid mis-drilled holes.

Product subtitle: For door terminals—and built for the Dialock workflow. This jig is made to support installations of door terminals on doors using a reliable, repeatable layout. The result is a smoother installation process and consistent positioning across jobs.

Area of application: For work preparation for mounting the DT 700/DT 710 door terminals on door.

Suitable for Dialock device: Dialock DT 700c and DT 710c door terminal.

If you want dependable drilling accuracy paired with an efficient setup, add the Drilling Jig, Dialock DT 700/ DT 710 to your toolkit. It’s an ideal choice for anyone who values precision, speed, and long-lasting installation quality.

Specifications

Product category

Drilling Jig

Area of application

For work preparation for mounting the DT 700/DT 710 door terminals on door

Suitable for Dialock device

Dialock DT 700c and DT 710c door terminal
FAQ

Product Details

```html

Which Dialock door terminals does the DT700/710 Drilling Jig work with?

The Dialock DT700/710 Drilling Jig is designed for work preparation when mounting the Dialock DT 700c and DT 710c door terminals. It helps you align drilling positions accurately for these specific devices.

Is this drilling jig suitable for mounting door terminals on a door?

Yes. This jig is intended for work preparation for mounting the DT 700 and DT 710 door terminals on a door. It is a practical tool for getting the correct layout before you drill.

Do I need this jig if I already have the terminal measurements?

Measurements alone can still lead to alignment errors during drilling, especially when multiple holes are required. The jig provides a consistent drilling guide, helping you position holes correctly and reducing the need for rework.

For what part number should I purchase this drilling jig?

If you are looking for the Dialock drilling jig with part number 917.90.016, this is the correct item. Choosing by part number helps ensure you get the right tool for the DT 700c and DT 710c terminals.

Will the jig help ensure my installation stays correctly aligned?

The jig is made to support accurate drilling as part of the mounting preparation process. Using it helps keep your layout straight and properly spaced, which can improve the overall fit of the door terminal.

Can this be used by installers or is it only for DIY users?

This is straightforward to use for both professional installers and careful DIY projects, as long as you are mounting Dialock DT 700c or DT 710c door terminals. It is a simple way to organise the drilling steps and improve consistency.

Why choose a drilling jig instead of drilling without a guide?

A drilling jig provides a repeatable drilling reference, which is especially helpful when installing door terminals that require precise hole positions. If you want a clean, correctly aligned installation, this jig is a sensible choice to match the DT 700 and DT 710 mounting process.

```