.header__wrapper { opacity: 1; } [Skip to content]

Monday - Friday: 08:00 - 17:30 | Saturday - Sunday: Closed

PUSH Door Catch - Door Catch Pl Grey

Part Number: 329.44.500
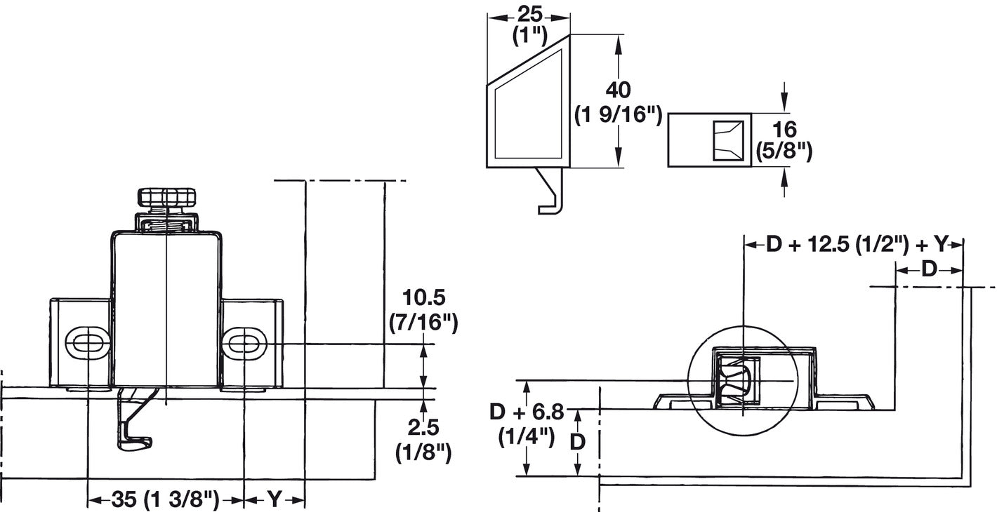
For use with Duomatic hinge, for opening doors without handles, Door catch part
Price:
£5.15
Per Item
VAT excluded

For use with Duomatic hinge, for opening doors without handles Order reference For doors over 1600 mm high 2... Read More

Product Information

Product Details

For use with Duomatic hinge, for opening doors without handles

Order reference

For doors over 1600 mm high 2 PUSH catches should be used
Order door catch part and locking part separately

The use of 2 push catches is recommended for doors with a height of more than 1,600 mm.

Specifications

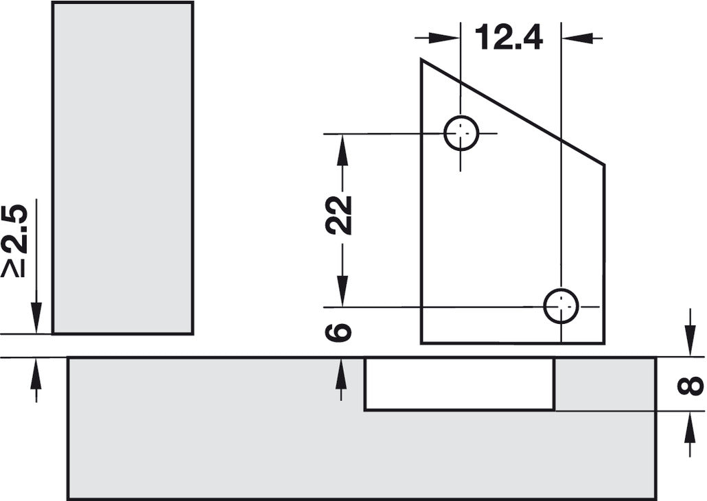
Installation

for screw fixing to cabinet top panel or base panel

Model

Duomatic

Colour/finish

Grey

Version

With positioning aid

Area of application

For fitting to upper carcase board for base cabinet or lower carcase board for wall cabinets

Material

Plastic

Supplied with

2 side cover caps and fixing screws included