Tiomos 95D Hinge Click wo SC SF Full+
Rated 3.5/5 based on 11 customer reviews

Tiomos 95D Hinge Click wo SC SF Full+

  • Product SKU: 348.34.600
  • Availability: In Stock
£6.00

Price inc. VAT

£6.00
Hurry! only 263 left in stock!
Ask about this product
Your message has been successfully sent to the store owner!
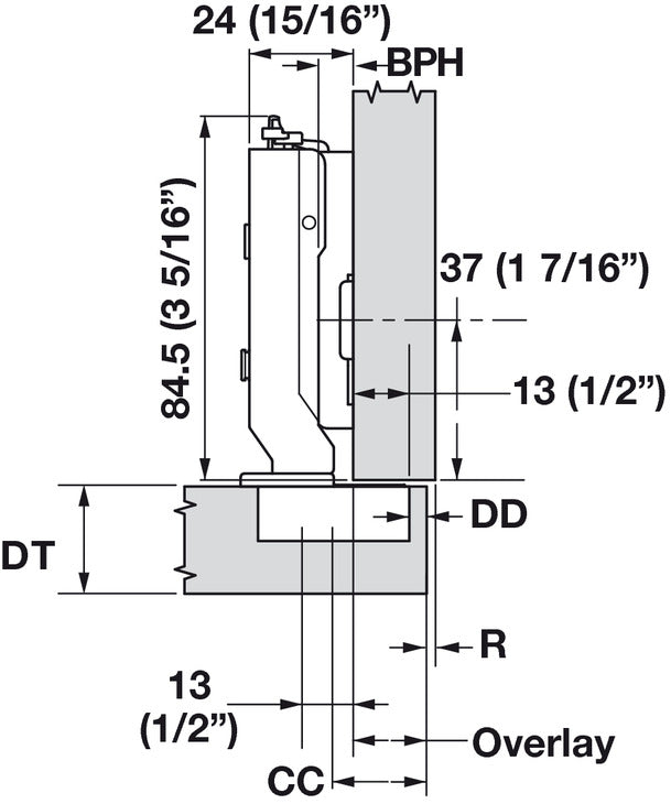
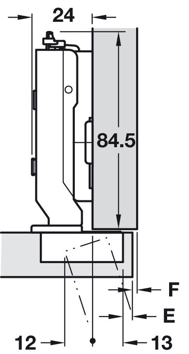
√ò 35 mm cupUp to 24 mm overlay
  • Application: For standard application
  • Opening angle: 95 ¬¨¬®‚Äö√†√ª
  • Overlay:: Full plus
  • Hinge arm: Click on
  • Cup fixing: Screw fixing
  • For door thickness: Up to 36 mm (for door thicknesses 29 mm and above, a trial fitting is recommended)
  • Drilling pattern: 45/9.5 mm
  • Drilling depth: Hinge cup 12.6 mm
  • Material: Cup and hinge arm: Steel
  • Finish: Nickel plated
  • Order reference: Order mounting plate and Hospa ‚Äö√†√∂‚àö‚â§ 3.5 mm countersunk screws separately