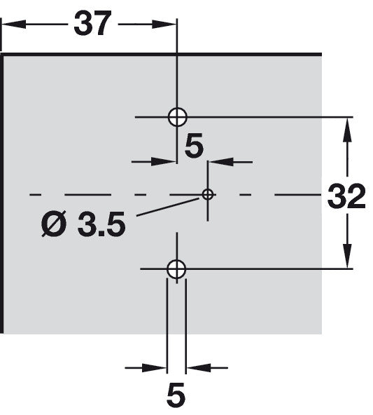
Nexis 2mm Mounting Plate 1prt Slide SupCruci Eur
- Application: For slide on systems
- Version: One part plate with external height adjustment
- Material: Pressed steel
- Finish: Nickel plated
- Supplied with: Fixings