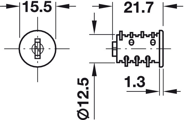
Symo3000 Cylinder Core SH0013 NP
Symo 3000 cylinder cores can be installed, repositioned or replaced quickly without tools, simply by using the removal keyMaster key 210.11.001 can be used with these keyed alike cores
- Suitable for: Symo 3000 lock cases
- Locking system: With 6 plate levers = 2600 different key changes possible
- Key type: Cut key
- Installation: For plug fitting into lock case
- Material: Housing: Zinc alloyPlate levers: Brass
- Finish: Nickel plated
- Supplied with: 2x Keys
- Order reference: Lock cases and accessories to be ordered separately